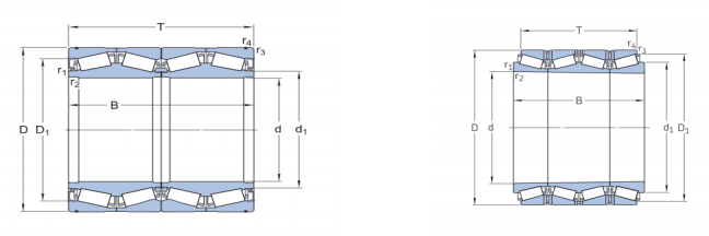
Four row tapered roller bearing OD:736.6mm/OD:736.6mmOD:920mm/OD:812.8mm/OD:771.525mm
|
Designations |
Boundary Dimensions |
Basic Load Ratings |
Mass(kg) |
|||
|
d |
D |
B |
Cr |
Cor |
Refer. |
|
|
EE84322DW/90/91D |
558.8 |
736.6 |
322.265 |
6270 |
16600 |
373 |
|
LM377449DW/ 10/ 10CD |
558.8 |
736.6 |
409.575 |
6600 |
20500 |
460 |
|
NP460735/ NP301398/ NP028523 |
560 |
920 |
620 |
18200 |
32000 |
1690 |
|
M278749DGW/ 10/ 10CD |
571.5 |
812.8 |
593.725 |
13000 |
36500 |
1073 |
|
LM278849DGW/ 10/ 10D |
585.788 |
771.525 |
479.425 |
10500 |
30000 |
615 |





